Product Image
Product Image
Product Image

SYSTÉMOVÝ ZÁVĚS 30 S NASTAVITELNÝM TŘENÍM

K dispozici

Model
095SF3030A00

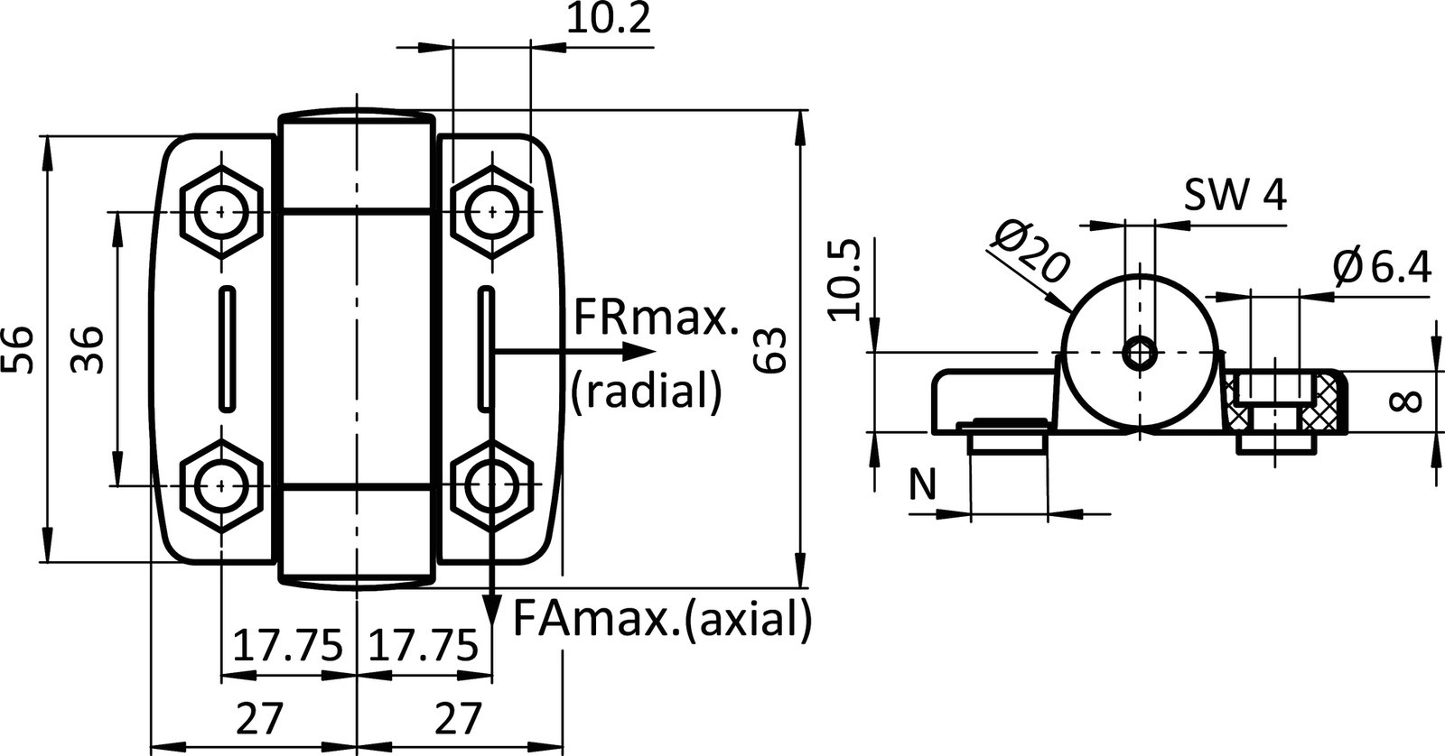
Popis
K zavěšení panelů nebo hliníkových profilů; držet dveře otevřené pod úhlem v libovolném úhlu; nekonečně variabilní od 0 - 5 Nm moment závěsu; podporuje také lehké dveře UPEVNĚNÍ Zepředu šrouby M6, zezadu šestihrannými maticemi a šrouby TIP Na vyžádání jsou k dispozici kombinace různých velikostí křídel

Materiál
Křídla: Plast PA, vyztužený skelným vláknem Svorník: Nerezová ocel
Barva
Černá
Množství v balení
10 pieces
Speciální vlastnosti
ESD elektrostatický výboj, jiný rozměr, jiné barvy na vyžádání
ESD
ANO

Parametr

Číslo dílu Profilový modul Velikost drážky Délka (mm) Šířka (mm) Výška (mm) Hmotnost (g) F.Max SW (mm) D (mm) F (mm) Velikost závitu CAD Vozík
095SF3030A00 51.7 M6
095SF3030A06 51.7 M6
095SF3030A08 51.7 M6

Související produkty



ALUTEC KK

Hliníkový konstrukční systém
Modulární pracovní stoly
Ochranné ploty a kryty

Standardní hliníkové profily
Lineární vedení
Nastavitelné nožičky

Dopravníky
Trubkový konstrukční systém
ALUTEC KK Hobby

Certifikáty

Rychlý kontakt

+420 326 996 110

aluteckk@aluteckk.cz