Product Image
Product Image
Product Image

KRYCÍ A REDUKČNÍ PROFIL I SLOT 5

K dispozici

Model
092045

Popis
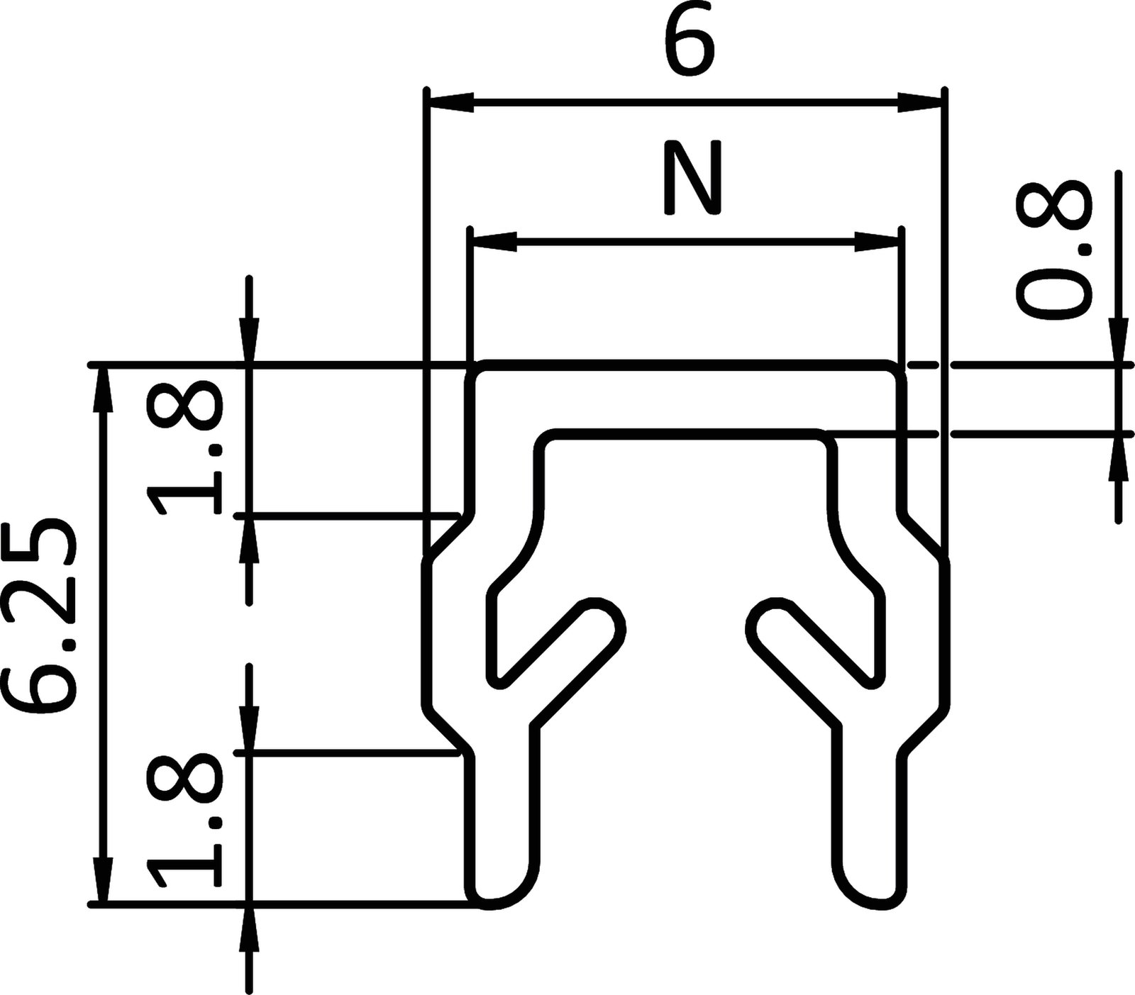
K zakrytí profilových drážek velikosti 5 ak zajištění panelů o tloušťce 2 - 3 mm TIP Pozor: Objednáváte v metrech!

Materiál
Plast PP
Barva
Černá
Množství v balení
200 meters (100 pieces at 2 m)
Speciální vlastnosti
Jiné barvy na vyžádání
ESD
NE

Parametr

Číslo dílu Profilový modul Velikost drážky Délka (mm) Šířka (mm) Výška (mm) Hmotnost (g) F.Max SW (mm) D (mm) F (mm) Velikost závitu CAD Vozík
092045 26.0
092045S07 26.0
092047 26.0
092033 26.0
092033S01 26.0
092034 26.0
092033S05 26.0

Související produkty



ALUTEC KK

Hliníkový konstrukční systém
Modulární pracovní stoly
Ochranné ploty a kryty

Standardní hliníkové profily
Lineární vedení
Nastavitelné nožičky

Dopravníky
Trubkový konstrukční systém
ALUTEC KK Hobby

Certifikáty

Rychlý kontakt

+420 326 996 110

aluteckk@aluteckk.cz